Thursday, May 21, 2026

ITI Exam

आईटीआई परीक्षा की बेहतर तैयारी

ITI Exam

आईटीआई परीक्षा की बेहतर तैयारी

ITI CBT Exam Paper

ITI Mechanic Refrigeration and Air Conditioner (MRAC) 2nd Year CBT Exam Practice Paper 2

Q1. What is the advantage of using two stage rotary vacuum pump for evacuation in deep freezer? / डीप फ्रीजर में निकासी के लिए दो चरण रोटरी वैक्यूम पंप का उपयोग करने का क्या फायदा है?
Q2. How the power consumed by the motor varies with its speed in VFD? / VFD में मोटर द्वारा खपत की जाने वाली शक्ति किस प्रकार बदलती है?
Q3. Why the miscibility of refrigerant and oil is preferred in car AC? /कार के एसी में रेफ्रिजरेंट और तेल की गलत पहचान क्यों पसंद की जाती है?
Q4. Which thickness of PUF has the least thermal conductivity? / PUF की मोटाई किसमें सबसे कम तापीय चालकता है?
Q5. What is the reason for high condensing pressure in air cooled condensers? / एयर कूल्ड कंडेनसर में उच्च कंडेनसर दबाव का कारण क्या है?
Q6. Which type of filter drier is used with HFC 134a car AC? / HFC 134 a कार एसी के साथ किस प्रकार के फिल्टर ड्रियर का उपयोग किया जाता है?
Q7. Which compressorʹs compression cycle shown in figure? / चित्र में किस कंप्रेसर का संपीड़न चक्र दिखाया गया है?
Q8. What is the purpose of purging the refrigeration system components? / प्रशीतन प्रणाली के घटकों को शुद्ध करने का उद्देश्य क्या है?
Q9. What is the reason for poor performance of forced draft cooling tower? / फोर्सेड ड्राफ्ट कूलिंग टॉवर के खराब प्रदर्शन का कारण क्या है?
Q10. Which equipment that increases the pressure of the gas by compressing in refrigeration cycle? / वह कौन सा उपकरण है जो प्रशीतन चक्र में गैस को संपीड़ित करके उसका दबाव बढ़ाता है?
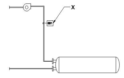
Q11. What is the name of part marked as X in low pressure cut out switch? / निम्न दाब कट स्विच में X के रूप में चिह्नित भाग का नाम क्या है?
Q12. What is the name of temperature measured by an odinary thermometer? / साधारण थर्मामीटर द्वारा मापे गए तापमान का क्या नाम है?
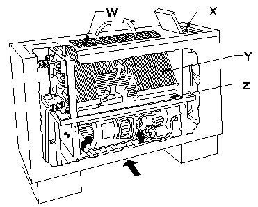
Q13. What is the name of safety switch marked as X in package AC? / पैकेज एसी में मार्क X के रूप में चिह्नित सुरक्षा स्विच का नाम क्या है?
Q14. Which type of cooling tower is used in large capacity chiller plants? / किस प्रकार के कूलिंग टॉवर का उपयोग बड़ी क्षमता वाले चिलर प्लांट्स में किया जाता है?
Q15. Which valve is first closed to start the pump down operation in central AC plant? / सेंट्रल एसी प्लांट में पंप डाउन ऑपरेशन शुरू करने के लिए किस वाल्व को पहले बंद किया जाता है?
Q16. What is being tested between the compressor drive pulley and the function plate in a car air-conditioner? / कार एयर कंडीशनर में कंप्रेसर ड्राइव पूली और फ़ंक्शन प्लेट के बीच क्या परीक्षण किया जा रहा है?
Q17. Which type of relay is marked as X in freezer wiring diagram? / फ्रीज़र वायरिंग आरेख में किस प्रकार के रिले को X के रूप में चिह्नित किया गया है?
Q18. What is the name of the component in figure indicating ʺXʺ? / ʺXʺ दर्शाने वाली आकृति में कम्पोनेंट का नाम क्या है?
Q19. How the condenser capacity is expressed? / कंडेनसर क्षमता कैसे व्यक्त की जाती है?
Q20. What is the reason for capacity reduction in water cooled condenser? / वाटर कूल्ड कंडेनसर में क्षमता में कमी का क्या कारण है?
Q21. Why both the gauges read abnormal high pressures while testing the car AC performance? / कार एसी के प्रदर्शन का परीक्षण करते समय दोनों गेज असामान्य उच्च दबाव क्यों पढ़ते हैं?
Q22. What is the advantage of block ice over flake ice? / फ्लेक आइस पर ब्लॉक आइस का क्या फायदा है?
Q23. What is the reason for melting of ice cream in storage plant? / भंडारण संयंत्र में आइसक्रीम के पिघलने का क्या कारण है?
Q24. Which component checking going on in Mobile air conditioner is shown in figure? / मोबाइल एयर कंडीशनर में कौन से कम्पोनेंट की जाँच चल रही है यह चित्र में दिखाया गया है?
Q25. What is the name of unit used to store/ maintain ice creams at low temperature? / कम तापमान पर आइसक्रीम के भंडारण/रखरखाव के लिए उपयोग की जाने वाली यूनिट का नाम क्या है?
Q26. Which one indicates adjustable out let grill in figure? / चित्र में कौन सा एडजस्टेबल आउट लेट ग्रिल दर्शाता है?
Q27. Which point indicate fresh air entering point? / कौन सा बिंदु ताजी हवा के प्रवेश बिंदु को दर्शाता है?
Q28. What is the condition of refrigerant at the outlet of dry expansion evaporator? / शुष्क विस्तार वाष्पीकरण के आउटलेट पर रेफ्रीज़रेंट की स्थिति क्या होती है?
Q29. Which psychrometric processes are represented between initial (t1) and final (t2) conditions of air in the chart? / चार्ट में हवा की प्रारंभिक (t1) और अंतिम (t2) स्थितियों के बीच कौन सी साइकोमेट्रिक प्रक्रियाओं का प्रतिनिधित्व किया जाता है?
Q30. What is the minimum temperature difference in water required between inlet and outlet of water cooled condenser? / वाटर कूल्ड कंडेनसर मे इनलेट पनि और आउटलेट के पानी के बीच में न्यूनतम तापमान अंतर क्या है?
Q31. Which gas is used for treating cooling tower water to destroy bacteria and virus? / “बैक्टीरिया और वायरस को नष्ट करने के लिए कूलिंग टॉवर के पानी के उपचार के लिए कौन सी गैस का उपयोग किया जाता है?
Q32. What type of acid is used with water for De-scaling of water cooled condenser? / वाटर कूल्ड कंडेनसर की डी-स्केलिंग के लिए पानी के साथ किस प्रकार के एसिड का उपयोग किया जाता है?
Q33. Which process is used to remove the hard layer of salt deposit from water tubes in shell and tube condenser? / शेल और ट्यूब कंडेनसर में पानी की नलियों से नमक जमा की कठोर परत को हटाने के लिए किस प्रक्रिया का उपयोग किया जाता है?
Q34. What is the purpose of using the water cooled condenser in industrial AC plant? / औद्योगिक एसी संयंत्र में वाटर कूल्ड कंडेनसर का उपयोग करने का उद्देश्य क्या है?
Q35. What is the cause of knocking sound from condenser Constantly / During start? / कंडेनसर से लगातार/शुरुआत के दौरान नोकिंग साउंड आने का क्या कारण है?
Q36. Which device converts a signal from one form to another form of energy? / कौन सा डिवाइस एक सिग्नल को ऊर्जा के एक रूप से दूसरे रूप में परिवर्तित करता है?
Q37. Which compressor employs suction valve lifting mechanism for capacity control? / कौन सा कंप्रेसर क्षमता नियंत्रण के लिए सक्शन वाल्व लिफ्टिंग तंत्र को नियुक्त करता है?
Q38. Which performance parameter of cooling tower defines the difference, in between the water Inlet and outlet temperature? / कूलिंग टावर का कौन सा प्रदर्शन पैरामीटर पानी के इनलेट और आउटलेट तापमान के बीच अंतर को परिभाषित करता है?
Q39. What is the status of refrigerant at ʺXʺ in figure? / चित्र में ʺXʺ पर रेफ्रिजरेंट की स्थिति क्या है?
Q40. Where is the evaporator and fan motor located in commercial visible cooler? / वाणिज्यिक दृश्य कूलर में ईवापोरेटर और पंखे की मोटर कहाँ स्थित होती है?
Q41. What service operation is in progress with shell and tube condenser? / शेल और ट्यूब कंडेनसर के साथ क्या सर्विस संचालन जारी है?
Q42. What is the purpose of using humidistat in an industrial AC plant? / एक औद्योगिक एसी संयंत्र में ह्यूमिडिस्टैट का उपयोग करने का उद्देश्य क्या है?
Q43. What kind of heat is absorbed during evaporation? / वाष्पीकरण के दौरान किस तरह की गर्मी अवशोषित होती है?
Q44. What is the name of part marked as X in high side float valve? / हाई साइड फ्लोट वाल्व में X ʹके रूप में चिह्नित भाग का नाम क्या है?
Q45. Which operation is done to remove air from the system and charging hoses using Evacuation Charging Unit station? / इवेक्यूएशन चार्जिंग यूनिट स्टेशन का उपयोग करके सिस्टम और चार्जिंग होज़ से हवा निकालने के लिए कौन सा ऑपरेशन किया जाता है?
Q46. Which atmospheric standard air is used in calculating air velocity? / वायु वेग की गणना में किस वायुमंडलीय मानक वायु का उपयोग किया जाता है?
Q47. Which process is indicated between 1 and 2 by the arrow mark at constant dry bulb temperature? / निरंतर सूखे बल्ब तापमान पर तीर निशान द्वारा 1 और 2 के बीच किस प्रक्रिया को इंगित किया जाता है?
Q48. Which unit is suitable where air throw is limited to around 4 metres (13 feet)? / कौन सी इकाई उपयुक्त है जहाँ वायु फेंकना लगभग 4 मीटर (13 फीट) तक सीमित है?
Q49. Which device is installed in ducts to control air flow? / वायु प्रवाह को नियंत्रित करने के लिए नलिकाओं में कौन सा उपकरण स्थापित किया गया है?
Q50. Why the LP cut out control is bypassed electrically before pump down operation? / LP कट आउट नियंत्रण को पंप डाउन ऑपरेशन से पहले विद्युत रूप से बाईपास क्यों किया जाता है?
Refrigeration and Air Conditioning Technician 2nd Year Cbt Exam Paper 2
You got {{userScore}} out of {{maxScore}} correct
{{title}}
{{image}}
{{content}}
Youtube Click here
Telegram Group Join Now
Whatsapp Group Join Now
Facebook Group Join Now
Instagram Follow
Application Download Now

Leave a Reply

Your email address will not be published. Required fields are marked *