Friday, January 23, 2026

ITI Exam

आईटीआई परीक्षा की बेहतर तैयारी

ITI Exam

आईटीआई परीक्षा की बेहतर तैयारी

ITI CBT Exam Paper

ITI Mechanic Motor Vehicle (MMV) 1st Year CBT Exam Practice Paper 5

Q1. Which class of fire comes under flammable liquids?
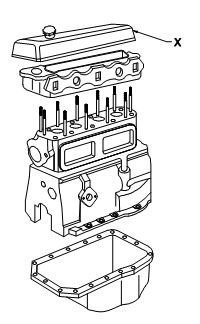
Q2. What is the name of the part marked as ‘X’?
Q3. What is the name of the part marked as ‘X’?
Q4. Which type of engine has common rail direct fuel injection system?
Q5. What is the name of part marked as ‘X’?
Q6. Which part drives the oil pump?
Q7. What is the name of the screw driver?
Q8. What type of resistor is used in the vehicle flasher unit?
Q9. When do we use the hand priming pump?
Q10. What is the name of the piston?
Q11. Which type of vehicle emission is measured in “g/Km”?
Q12. Which condition does a alternator normally charge the battery?
Q13. Which part connects the petrol engine inlet manifold?
Q14. What is the name of the bearing?
Q15. What is the name of the angle between the cutting edges in a drill?
Q16. Which spanner used for zero setting in outside micrometer?
Q17. Which is the most preferred use of roller bearings?
Q18. Which is connected with piston through piston pin?
Q19. Which is produced AC output in alternator?
Q20. Which engine has carburettor?
Q21. What is the speed ratio cam shaft to crank shaft?
Q22. Which types of cooling system the rate of cooling is very low?
Q23. Which is the most preferred use of taper roller bearings?
Q24. What is the purpose of the radiator in the cooling system?
Q25. How many crank shaft rotation required to open exhaust valve one time in four stoke engine?
Q26. What is the possible cause of engine runs erratically?
Q27. Which angle of drill bit prevents the friction behind the cutting edge?
Q28. What is the name of marking instrument?
Q29. What is the name of the part marked as ‘X’?
Q30. What is the specific gravity reading range of half charged battery?
Q31. What is the name of the cycle?
Q32. How the screw driver is specified?
Q33. What is the name of the part marked as ‘X’?
Q34. What is the cause of excessive loading?
Q35. What is the formula for Frictional horse power (FHP)?
Q36. What is the name of plier?
Q37. What is the name of tool?
Q38. What is the name of the test carried out?
Q39. What is the cause for high oil consumption?
Q40. What is the ampere hour rating if battery deliver 5 ampere and period of 20 hours?
Q41. Which type of socket spanner can be turned to an angle?
Q42. What is the name of the indicator?
Q43. Which is the key element in converting reciprocating motion in to rotary motion?
Q44. What is the advantage of free maintenance sealed battery?
Q45. Where the EVAP canister is located in fuel system?
Q46. Which one of the hydro carbon(HC) emitted due to lack of oxygen?
Q47. What is the name of the part marked as ‘X’?
Q48. What is the cause for electric fire?
Q49. What is the name of the part marked as ‘X’?
Q50. What is called the isolating the fire from the supply of oxygen by blanketing with foam and sand?
Mechanic Motor Vehicle 1st Year Cbt exam paper 5
You got {{userScore}} out of {{maxScore}} correct
{{title}}
{{image}}
{{content}}
Youtube Click here
Telegram Group Join Now
Whatsapp Group Join Now
Facebook Group Join Now
Instagram Follow
Application Download Now

Leave a Reply

Your email address will not be published. Required fields are marked *