Thursday, December 11, 2025

ITI Exam

आईटीआई परीक्षा की बेहतर तैयारी

ITI Exam

आईटीआई परीक्षा की बेहतर तैयारी

ITI CBT Exam Paper

ITI Mechanic Motor Vehicle (MMV) 2nd Year CBT Exam Practice Paper 5

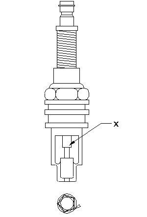
Q1. What will be the effect of the long heat path travel in the spark plug?
Q2. What is the range of steering ratio available in general?
Q3. Which sensor is used to sense vibration?
Q4. What is the name of sensor?
Q5. What is the type of master cylinder?
Q6. What is the cause of noise in steering?
Q7. What is the type of clutch?
Q8. What is the name of part marked as ‘X’ in the spark plug?
Q9. When the driver is warned of difference in tyre pressure?
Q10. What is the name of tool marked as ‘X’ in the clutch aligning assembly work?
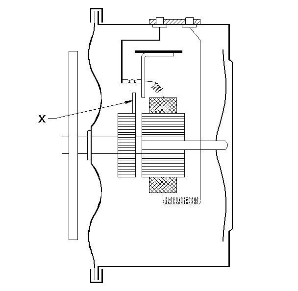
Q11. What is the name of part marked as ‘X’ in the Horn assembly?
Q12. Which type of DC starter motor generally used in automobiles?
Q13. What is the type of braking system?
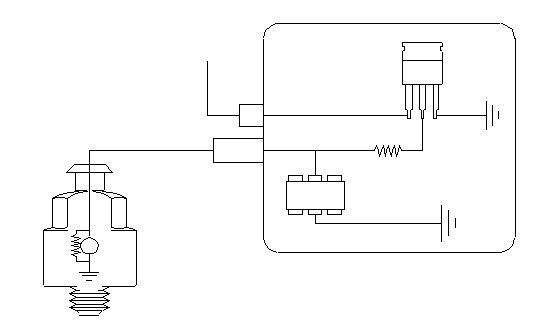
Q14. Which type of ECU control actuators of engine?
Q15. Which part provides flexible connection and permits smooth transfer of torque from gear box to the rear axle?
Q16. What is the type of drive line?
Q17.,What is the advantage of using servo motor in air conditioning system?
Q18. What is the use of compact spare tyres?
Q19. What is the gas filled in the sealed beam head lights?
Q20. What causes horn sounds continuously even switch is in off position?
Q21. What is the name of sensor?
Q22. What is the cause for alternator charges at high rate?
Q23. Which part of air conditioning system remove heat from air and transfer to the refrigerant?
Q24. What is the name of part marked as ‘X’ in the brake pedal assembly?
Q25. What will be the effect of clogged fuel tank vent hole?
Q26. What is the name of part marked as ‘X’ in the coil spring suspension?
Q27. What is the purpose of ‘V’ pulley in the charging system?
Q28. What is the cause for noisy gear box in neutral position?
Q29. What is the name of seal used between two parts that do not move in relation to each other?
Q30. Which type of spring suspension responds quickly to road shocks?
Q31. What is the type of suspension?
Q32. What is the disadvantage of excessive positive camber in the wheel alignment?
Q33. What is the impact of larger scrub radius?
Q34. Which type of gear will have more than one teeth in contact at the same time?
Q35. Why seat belt and air bag systems are necessary in the vehicle?
Q36. What is the function of steering system?
Q37. What is the boiling point of refrigerant R-134a?
Q38. What is the name of power assisted servo brake?
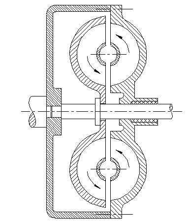
Q39. What is the type of constant velocity joint?
Q40. Where the non-return valve is located in the centre feed master cylinder?
Q41. What is the type of leaf spring?
Q42. Which type of horn consist electrically driven air pump forces air through plastic trumpet?
Q43. What is the advantage of dog clutch?
Q44. What is the necessity of square cut seals?
Q45. Which system deals with alternator?
Q46. What is the steering linkage ratio if the pitman arm length twice of steering arm length?
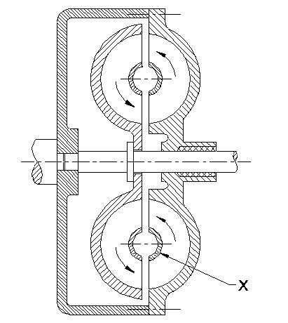
Q47. What is the name of part marked as ‘X’ in the fluid coupling?
Q48. What is the cause for low power generation?
Q49. What is the type of constant velocity joint?
Q50. Which sensor is used to alert the driver of unseen obstacles?
Mechanic Motor Vehicle 2nd Year cbt exam paper 5
You got {{userScore}} out of {{maxScore}} correct
{{title}}
{{image}}
{{content}}
Youtube Click here
Telegram Group Join Now
Whatsapp Group Join Now
Facebook Group Join Now
Instagram Follow
Application Download Now

Leave a Reply

Your email address will not be published. Required fields are marked *