Tuesday, November 11, 2025

ITI Exam

आईटीआई परीक्षा की बेहतर तैयारी

ITI Exam

आईटीआई परीक्षा की बेहतर तैयारी

ITI CBT Exam Paper

ITI Information & Communication Technology System Maintenance (ICTSM) 1st Year CBT Exam Practice Paper 1

Q1. Socket 2011 is used for________. / सॉकेट 2011 ……….. के लिए प्रयोग की जाती है।
Q2. What is the shape of first aid sign? / प्राथमिक चिकित्सा संकेत चिन्ह का आकार क्या है?
Q3. How the single strand wire is called? / सिंगल स्ट्रैंड वायर को क्या कहते हैं?
Q4. Which command is used to cut selected text? / चयनित टैक्सट को कट करने के लिए कौन सी कमांड उपयोग की जाती है?
Q5. Which meter uses a moving coil for measurement? / मापन के लिए कौन सा मीटर एक गतिज कुंडल का उपयोग करता है?
Q6. What is the kind of road sign? / निम्न प्रकार का सड़क का चिन्ह किस तरह का है?
Q7. What is the unit of inductance? / प्रेक्रत्व की इकाई क्या है?
Q8. How the negative feedback is called? / नकारात्मक प्रतिक्रिया को क्या कहा जाता है?
Q9. Which menu is used, to insert a picture in MS word? / किस मीनू का उपयोग करके एमएस वर्ड मे एक पिक्चर को इन्सर्ट कीया जा सकता हे?
Q10. What is the formula used to calculate the current gain (α) of common base amplifier?/ कॉमन बेस एम्पलीफायर के करंट लाभ (α) की गणना करने के लिए उपयोग किया जाने वाला सूत्र क्या है?
Q11. Which port is used to connect external modem on laptop during troubleshooting? | समस्या निवारण के दौरान लैपटॉप में बाहरी मॉडेम को जोडने के लिए किस पोर्ट का उपयोग किया जाता है?
Q12. How batteries are rated? / बैटरी की रेटिंग किसमे की जाती हैं?
Q13. Which type of transformer is used in the DC to AC converter? / डीसी से एसी कन्वर्टर में किस प्रकार के ट्रांसफार्मर का उपयोग किया जाता है?
Q14. What is the name of the circuit diagram? / सर्किट आरेख का नाम क्या है?
Q15. What is the purpose of undo action in MS word? / एमएस वर्ड मे अनडू एकशन का क्या पर्याय हे?
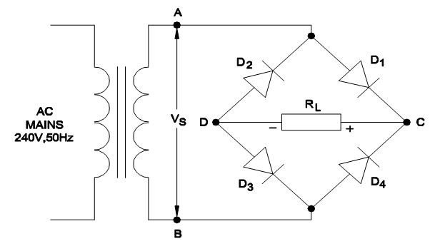
Q16.Which rectifier circuit uses for four diodes? / चार डायोड के लिए किस रेक्टिफायर सर्किट का उपयोग किया जाता है?
Q17. Which electric component maintains constant output voltage in the power supply section marked ‘X’? / कौन सा विद्युत घटक ʹ X ’के विद्युत आपूर्ति खंड में निरंतर आउटपुट वोल्टेज बनाए रखता है?
Q18. The controller section of SMPS consists of_______. / SMPS के निंयत्रण अनुभाग ……... में शामिल है|
Q19. Calculate the total capacitance value in the circuit. / सर्किट में कुल धारीता की मान की गणना कीजीये.
Q20. What will happen when we double click on an icon? / जब हम किसी आइकन पर डबल क्लिक करेंगे तो क्या होगा?
Q21. What do you understand by operating system? / ऑपरेटिंग सिस्टम से आप क्या समझते है?
Q22.Which device is first removed during hardware trouble shooting of laptop? / कौन सी डिवाइस पहले निकाल दी जाती हैजब हम लैपटॉप की मुरम्मत करते है?
Q23. What is the type of transformer? / ट्रांसफार्मर का प्रकार क्या है?
Q24. What is the full form of FET? / FET का पूर्ण रूप क्या है?
Q25. Which port can be used to connect external monitor or projector on laptop? / लैपटॉप में बाहरी मॉनिटर या प्रोजेक्टर को जोडने के लिए किस पोर्ट का उपयोग किया जा सकता है?
Q26. How data stored by HDD of a computer? / कंप्यूटर की हार्ड डिस्क ड्राइव द्वारा कैसे डाटा संग्रहीत किया जाता है?
Q27. Which is the additional percentage of power delivered by the lithium Ion compared to NiMH battery? / NiMH बैटरी की तुलना में लिथियम आयन द्वारा प्रदत्त शक्ति का अतिरिक्त प्रतिशत कौन सा है?
Q28. Which is voltage controlled device? / वोल्टेज नियंत्रित उपकरण कौन सा है?
Q29. Booting by pressing the power button of the computer is also known as________. / कंप्यूटर के पॉवर बटन को बूट करने को ______ के रूप में भी जाना जाता है।
Q30. Voltage uses by DDR2 RAM is_____. / DDR2 रैंम में _____ वोल्टेज प्रयोग होती है|
Q31. During software installation we should keep attention about ____. / सॉफ्टवेयर इंस्टॉलेशन के दौरान हमें ……… ध्यान रखना चाहिए।
Q32. What is the effect on the current flow with increased diameter of conductor? / चालक के बढ़े हुए व्यास के साथ , धारा प्रवाह पर क्या प्रभाव होता है?
Q33. Which is having terminals for Emitter, Base1 and Base 2? / एमिटर, बेस 1 और बेस 2 के लिए कौन से टर्मिनल हैं?
Q34. ROM stands for ________. / ROM का पूरा नाम …… है।
Q35. What is the range of specific gravity of lead acid battery, under discharged condition? / डिस्चार्ज स्थिति मे सीसा एसिड बैटरी के विशिष्ट गुरुत्व की परास क्या होगी?
Q36. What is the full form of LDR in resistors? / प्रतिरोधों में LDR का पूर्ण रूप क्या है?
Q37. Which of the following parts can be changed without opening the laptop? / निम्नलिखित में से कौन सा पार्ट लैपटॉप को बिना खोले बदला ला सकता है?
Q38. Which device is used to convert direct current into alternating current? / डायरेक्ट करंट को अल्टेरनेटिंग करंट में परिवर्तित करने के लिए किस उपकरण का उपयोग किया जाता है?
Q39. What are the menu driven utilities of CMOS setup programme? / CMOS सेटअप प्रोग्रामी की मीनू संचालित अपयोगिताएं क्या है?
Q40. What is the current gain of a common - base amplifier? / एक कॉमन बेस प्रवर्धक का करंट गेन क्या है?
Q41. Which of the following is one way of opening window explorer? / निम्न में से कौन सा विंडो एक्सप्लोरर खोलने का एक तरीका है?
Q42. BIOS is typically stored on the___. / BIOS आमतोर पर ____ में संग्रहित होता है।
Q43. How much data we can store In a CD? /. हम एक CD में कितना डेटा स्टोर कर सकते हैं?
Q44. What is the electrode marked ‘X’ in the TO-5 transistor pack diagram? / TO-5 ट्रांजिस्टर पैक आरेख में इलेक्ट्रोड ʹ X ’क्या है?
Q45. Which is based on fifth generation computing devices? / जो पांचवीं पीढ़ी के कंप्यूटिंग उपकरणों पर आधारित है?
Q46. DRAM stands for ______. / DRAM का पूरा नाम ……. है।
Q47. In excel print option is available under__. / एक्सेल में प्रिंट विकल्प ....... के तहत उपलब्ध होता है।
Q48. What is the unit of resonance frequency? / अनुनाद आवृत्ति की इकाई क्या है?
Q49. What do you understand by file properties? / फाइल प्रोपर्टी से आप क्या समझते है?
Q50. SATA stands for? / SATA का पूरा नाम क्या है?
Information & Communication Technology System Maintenance 1st year cbt exam paper 1
You got {{userScore}} out of {{maxScore}} correct
{{title}}
{{image}}
{{content}}
Youtube Click here
Telegram Group Join Now
Whatsapp Group Join Now
Facebook Group Join Now
Instagram Follow
Application Download Now

Leave a Reply

Your email address will not be published. Required fields are marked *